Vacanze di Natale 2025: Dal 23.12.2025 al 06.01.2026 compresi , i nostri uffici ed il magazzino saranno chiusi. Ultimo Giorno di spedizione: 18.12.25

CODICE: whatsapp:/send

Aggiungi ai preferiti Richiedi supporto
MITEE-BITE

Descrizione

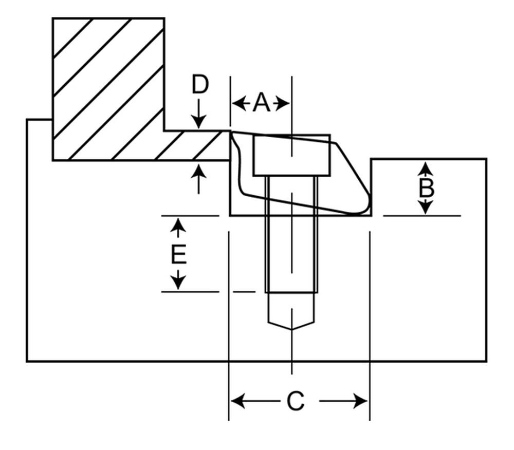
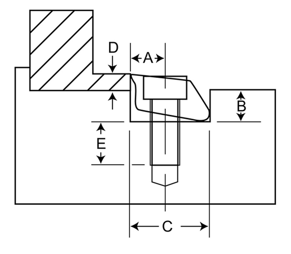
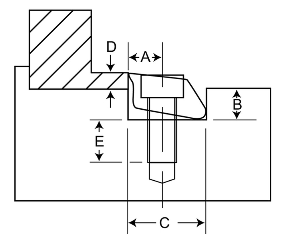
Il popolare morsetto Ultra Bite è stato realizzato in due modelli anche nella versione lavorabile. Risultati eccezionali si sono ottenuti, in modo particolare, su pezzi tondi, combinando questa verisone con i morsetti 33175 della serie VERSA GRIP. Questa staffa combina una grande forza verticale con un profilo molto basso. I morsetto ULTRA BITE lavorabili sono costruiti in acciaio utensile per una lunga durata anche dopo essere sagomati.

Download

Scheda tecnica (PDF)
PRODOTTO DISPONIBILE
PRODOTTO DISPONIBILE
Il prodotto è “disponibile”: ciò significa che il prodotto è nella disponibilità di Cagelli Distribuzione e, quindi, pronto per la spedizione, fatte salve le ipotesi in cui, per eventi eccezionali ed imprevedibili, il prodotto, al momento del prelievo in magazzino, risulti invendibile perché mancante o danneggiato al momento del prelievo in magazzino e non possa quindi essere spedito e non vi siano altri prodotti identici da poter consegnare.
Completando il procedimento di acquisto, il cliente procede quindi immediatamente all’acquisto del prodotto, secondo le modalità indicate nel Sito.
PRODOTTO A DISPONIBILITÀ LIMITATA
PRODOTTO A DISPONIBILITÀ LIMITATA
Il prodotto è “disponibile” ma in quantità pari o inferiore ai 5 pezzi: l’ordine verrà evaso per l’intero fatto salva diversa indicazione da parte del cliente.
PRODOTTO NON DISPONIBILE
PRODOTTO NON DISPONIBILE
il prodotto non è disponibile a magazzino ma “ordinabile con verifica disponibilità”: ciò significa che il prodotto non è nella disponibilità di Cagelli Distribuzione ma è ordinabile da Cagelli Distribuzione ai suoi fornitori entro 15gg lavorativi. Cagelli Distribuzione confermerà l’effettiva data di consegna.
Completando il procedimento di acquisto, l’utente incarica Cagelli Distribuzione di ordinare il prodotto ai suoi fornitori al fine di verificarne la disponibilità e la autorizza: in caso di esito positivo della verifica di disponibilità, a procedere all’acquisto del prodotto, e in caso di esito negativo della verifica di disponibilità, alla cancellazione dell’ordine.

Prodotti correlati

Se sei interessato a questo prodotto, potresti esserlo anche a questi:

Della stessa serie

Guarda gli altri prodotti che completano questa serie:

0
Trustpilot

Resta in contatto

Non perdere l’opportunità di ricevere le informazioni e promozioni che offriamo

Iscriviti alla newsletter